当前所在位置: 首页 » 产品 » 防水连接器(IP67 IP68 IP69K) » 2.0mm E系列防水 易插拔款 » HRB 2.0mm防水电源接插件 双排M20036R弯针 M20036直针

产品类别

联系信息

  电话:0086-0755 2709 6669
 电话:158 1731 1182(同微信)
 地址:广东省深圳市宝安区沙井沙松路150号(百通科技创新产业园A栋)
 电子邮件: sales06@hrb-connector.com
 传真: 0086-0755 2709 2392
 QQ : 142 2860 678
 Skype :18823179164

loading

分享到:

HRB 2.0mm防水电源接插件 双排M20036R弯针 M20036直针

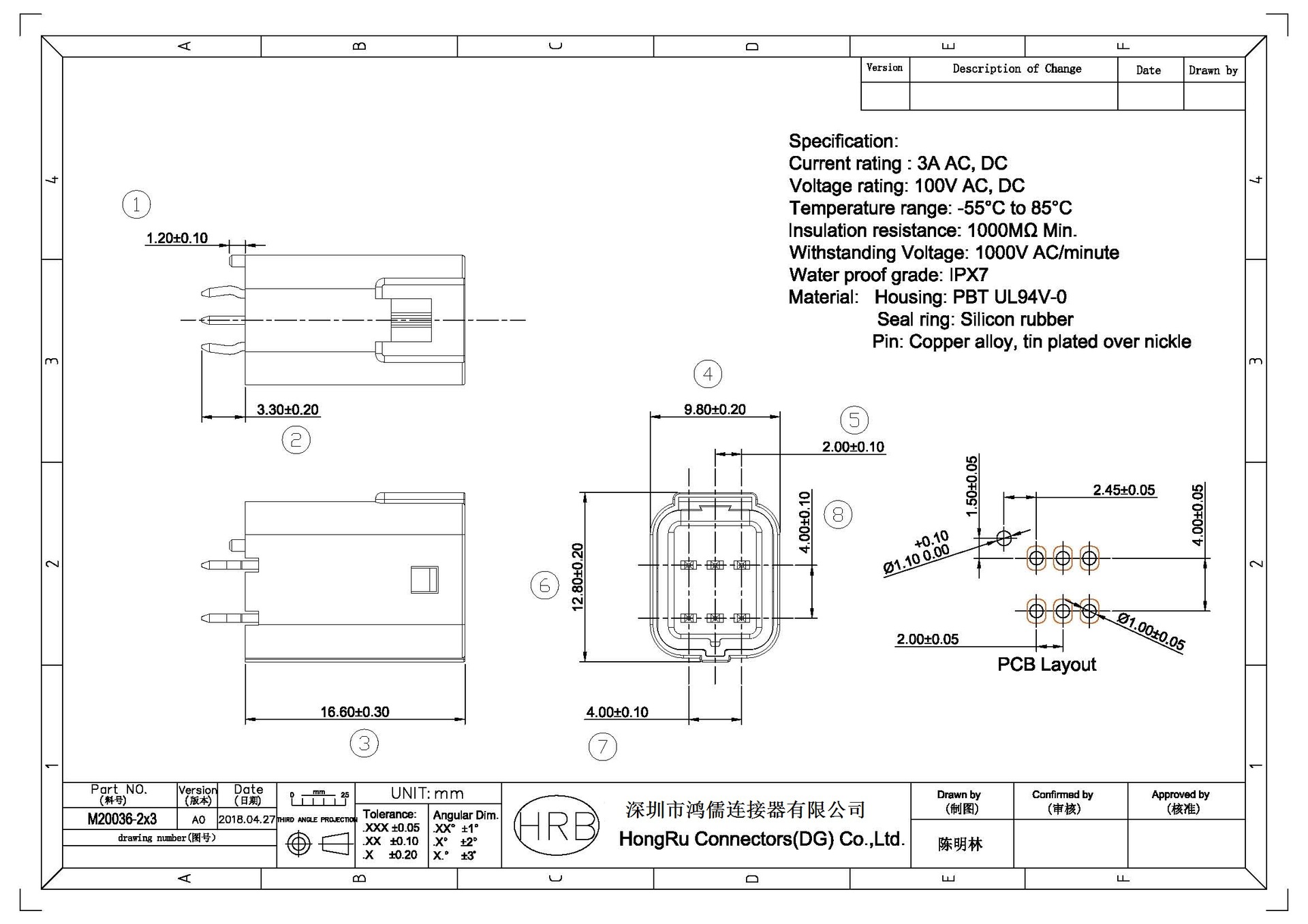
HRB2.0防水板端系列 双排针座M20036R-2XN-W系列 M20036-2XN-W系列 配套M20032系列双排线端,IP67级别防水防尘,广泛适用于各类汽车电器 家电产品 路灯 摄像头 无人机等产品
状态:
数量:
  • M2003 6/ M20036R-2XN-W

  • HRB

  • M20036/ M20036R-2XN-W

大多数防水连接器尺寸大,在生产环境中难以处理且昂贵。满足客户对小型防水连接器的需求,这种连接器易于操作且成本效益长期以来一直是一项挑战。

线对板防水电连接器满足小型防水连接器的需求。它符合IEC 60529的IP67防水等级。它采用2.0mm间距(接触式接触)和4.0mm行间距,适用于双排版本。配线时的整体尺寸仅为30.2mm,线对线系列为21.0m,用于PCB版本。


线对板防水连接器:


线对板防水连接器提供2,3和4个位置,通过使用磷青铜镀锡插座触点提供类似的成本效益解决方案。与线对线版本一样,线对板型触点系统具有3安培额定值并可处理24-22AWG线。带护罩的接头采用铜合金镀锡触点,可提供垂直或顶部入口,风格和设计用于一般用途以及带有辞职涂层(“封装”)PC板。插头也设计为通过该连接器插座接受导线以获得最大的灵活性。


特征:


防水性能

包含密封圈

坚固的橡胶密封

双弹簧结构

外壳到终端锁

内壳锁

电线范围:AWG#22-26


应用:


电动汽车

电动摩托车

汽车摄像头内置防水

汽车电池内置防水功能

户外防水应用O1CN01oOzWJL2JZHc4jtsjn_!!3417219435-0-cib

m20036e_01m20036e_02m20036e_03m20036e_04m20036e_05m20036e_06m20036e_07m20036e_08m20032e_09m20032e_10

上一条: 
下一条: 

快速链接

产品

联系我们